Gigabyte MA78GM-S2H |
|
| Чипсет | AMD 780G |
| Процессор | Socket AM2 Phenom/Athlon64 HTT 200 МГц |
| Память | DDR2 400/533/667/800/1066 |
| HDD | 1x UltraDMA/133(RAID) 6x SerialATA II (2xRAID) |
| Дополнительно | Звук High Definition Audio 12 USB 2.0 Gigabit Ethernet LAN 2х IEEE-1394a |
| Цена: | - |
До настоящего времени наиболее функциональным интегрированным чипсетом в ассортименте AMD являлся 690G(V), который достался ей в наследство от ATI. Фактически все материнские платы на этом чипсете комплектовались южным мостом SB600, который устарел более года назад. И несмотря на то, что его характеристики были вполне приемлемыми для бюджетных систем, особой популярности платы на 690G не завоевали. Дело в том, что интегрированные чипсеты NVIDIA имели лучшее соотношение "цена/функциональность".
С выходом чипсета AMD 780G ситуация на рынке бюджетных систем может серьезно измениться. Причина проста - наконец AMD выпустила новый южный мост SB700, который может похвастаться поддержкой шести каналов SerialATA II (с функциями RAID), а также поддержкой двенадцати портов USB 2.0 + двух портов USB 1.1. Кроме количественных улучшений, инженеры AMD достигли определенного прогресса в качественном отношении. В частности, новый южный мост поддерживает такие технологии, как HyperFlash (аналог технологии Intel TurboMemory, которая увеличивает производительность ОС за счет кеширования на дополнительном Flash-диске), Hybrid Drives (поддержка Hybrid Hard Drive или HHD, полностью совместимая со спецификациями MS Vista ReadyDrive), RAIDXpert (управление RAID-массивами) и Remote IT (удаленное администрирование системы).

Но и новый северный мост 780G имеет массу привлекательных достоинств. Начнем с того, что сам чип изготовлен по 55-нм техпроцессу, что означает малое энергопотребление и хороший частотный потенциал. Конечно, количество пользователей, разгоняющих встроенное видеоядро, очень мало, но высокие рабочие частоты гарантируют высокую производительность в 3D-приложениях. И эта производительность будет востребована, поскольку данный чипсет предназначен для Vista-совместимых материнских плат. Иными словами, чипсет 780G имеет встроенное графическое ядро с поддержкой DX10, аппаратным декодированием видео высокой четкости ( MPEG-2, H.264 и VC-1) и поддержкой HDMI с HDCP, HDTV.
Следующее достоинство чипсета (кстати, его кодовое обозначение - RS780) заключается в поддержке шин HyperTransport 3.0 и PCI Express 2.0. Если PCI-E v2.0 является, в определенной степени, маркетинговой фишкой и не дает реального прироста производительности, то с HT 3.0 ситуация иная. В частности, шина HT 3.0 работает на частоте 2,6 ГГц, что обеспечивает большую пропускную способность по сравнению с HT 2.0, максимальная частота которой равна 1 ГГц. А более высокая пропускная способность будет востребованной для четырехъядерных процессоров Phenom.
Кстати, количество линий PCI Express увеличено до 26. Это означает возможность установки одного полноценного слота x16. Более того, чипсет 780G допускает симметричное разделение линий по схеме 8+8, что позволяет разработчикам материнских плат установить два слота PCI Express x16 (по восемь линий на каждый) и, соответственно, реализовать технологию Crossfire. Самое интересное, что в каком-то виде воспользоваться преимуществами Crossfire можно и с одной видеокартой. Дело в том, что 780G поддерживает технологию Hybrid Crossfire, которая объединяет вычислительные ресурсы встроенного видеоядра и внешней видеокарты (с чипом серии Radeon HD34xx). Но в том случае, если на плате установлено два слота PCI-E x16 и, соответственно, две видеокарты, Hybrid Crossfire не сможет объединить три графических ядра. Маркетологи AMD посчитали, что пользователям уже и так хорошо, и подобная функция есть только у более дорогого чипсета 790G (под названием Hybrid CrossfireX).
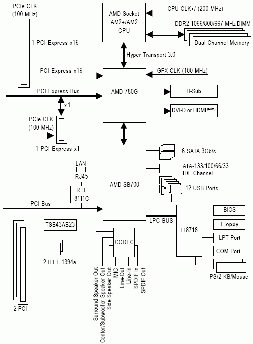
Схема чипсета 780G+SB700.

А это - схема реализации чипсета на плате Gigabyte MA78GM-S2H.

Характеристики чипа следующие: количество транзисторов - 205 млн (что почти в три раза больше, чем у 690G), при этом площадь чипа осталась практически такой же (что неудивительно, учитывая более "тонкий" техпроцесс). Чип имеет FCBGA-упаковку с 528 контактами, а его рабочее напряжение равно 1,1 В. Кстати, тепловыделение 780G находится на рекордно низком уровне: 11,4 Вт при полной нагрузке, и менее 1 Вт - в режиме простоя (если быть точными - 0,94 Вт).

Поговорим более подробно о графическом ядре чипсета 780G, которое называется Radeon HD3200.
Самое интересное, что ядро Radeon HD3200 допускает использование в качестве памяти как DDR2, так и GDDR3. В случае с DDR2 все просто: графическое ядро использует для своих нужд оперативную память, установленную в системе. Причем объем этой памяти может задавать сам пользователь в BIOS (от 128 Мб до 512 Мб). Что касается GDDR3, то тут все зависит от производителя материнской платы: либо он установит дополнительные чипы памяти GDDR3 на плату, либо нет. В данном случае, многое зависит от текущих цен на GDDR3. В настоящий момент данная память относительно дешевая, по меркам видеокарт middle- и high-end уровня. Это прекрасно заметно по тому, как производители второго эшелона оснащают карты на 9600GT и 8800GT памятью объемом 1 Гб или даже 2 Гб (см. обзор с CeBIT). Но ближе к реальности - на материнской плате Gigabyte MA78GM-S2H впаянной GDDR3 нет.
Если сравнить графическое ядро Radeon HD3200 с ядром GMA3500, которое встроено в чипсет G35, то отметим, что оба ядра поддерживают DirectX 10, OpenGL версии 2.0, пиксельные и вершинные шейдеры спецификации 4.0. При этом, ядро Intel имеет более высокую рабочую частоту (667 МГц против 500 МГц у HD3200), но ядро AMD в большей степени поддерживает аппаратное декодирование HD видео + HDMI.
И в заключение отметим, что ядро Radeon HD3200 допускает одновременную работу с двумя мониторами (VGA+DVI или VGA+HDMI). При этом, если пользователь установит еще и внешнюю видеокарту, то ядро Radeon HD3200 не отключается! То есть пользователь может подключить к плате уже 4 монитора!

| Gigabyte MA78GM-S2H | |
| Процессор | - AMD Phenom/Athlon 64/Sempron с частотой шины 200 МГц (и выше)
- Разъем Socket AM2+ |
| Чипсет | - Северный мост 780G
- Южный мост SB700 - Связь между мостами: PCI Express x4 |
| Системная память | - Четыре 240-контактных слота для DDR-II SDRAM DIMM
- Максимальный объем памяти 16 Гб - Возможен двухканальный доступ к памяти - Поддерживается память типа DDR2 533/667/800/1066(*) |
| Графика | - Один слот PCI Express x16 (v2.0)
- Встроенное графическое ядро Radeon HD3200 |
| Возможности расширения | - Два 32-битных PCI Bus Master-слота
- Один слот PCI Express x1 - Двенадцать портов USB 2.0 (4 встроенных + 8 дополнительных) - Два порта IEEE1394 (Firewire; 1 встроенный + 1 дополнительный) - Встроенный звук High Definition Audio - Сетевой контроллер Gigabit Ethernet |
| Возможности для разгона | - Изменение частоты FSB от 200 до 500 МГц; изменение множителя
- Изменение частоты встроенного видеоядра от 150 до 1100 МГц - Изменение напряжения на процессоре, памяти и чипсете(nb) - Утилита Gigabyte Easy Tune 5 Pro - Утилита AMD OverDrive |
| Дисковая подсистема | - Один канал UltraDMA133/100/66/33 Bus Master IDE (с поддержкой до двух ATAPI-устройств & RAID 0, 1)
- Поддержка протокола SerialATA II (6 каналов - SB700, c поддержкой RAID 0,1, 0+1) - Поддержка LS-120 / ZIP / ATAPI CD-ROM |
| BIOS | - 8 Мбит Flash ROM
- Award BIOS с поддержкой Enhanced ACPI, DMI, Green, PnP Features и Trend Chip Away Virus - Технология Gigabyte Q-Flash - Утилита Gigabyte @BIOS и Face-Wizard - Технология Gigabyte Virtual Dual BIOS |
| Разное | - Один порт для FDD, один последовательный и один параллельный порт, порты для PS/2-мыши
и клавиатуры
- IrDA - STR (Suspend to RAM) - SPDIF In/Out |
| Управление питанием | - Пробуждение от модема, мыши, клавиатуры, сети, таймера и USB
- 24-контактный разъем питания ATX (ATX-PW) - Дополнительный 4-контактный разъем питания |
| Мониторинг | - Отслеживание температуры процессора, системы, мониторинг напряжений,
определение скорости вращения двух вентиляторов
- Технология Gigabyte Smart Fan |
| Размер | - ATX форм-фактор, 244x244 мм (9,63" x 9,63") |
Плата попала на тестирование в составе демонстрационной системы AMD, поэтому судить о ее комплектации мы пока не можем. Тем не менее, отметим довольно качественное и подробное руководство пользователя, а также CD-диск с набором драйверов и фирменных утилит Gigabyte.

Скромный форм-фактор MicroATX скрывает реальную мощь платы. Gigabyte MA78GM-S2H выглядит как заурядный бюджетный продукт, но в действительности имеет превосходный набор функций.

На южном и северном мостах чипсета установлены низкопрофильные радиаторы, эффективности которых вполне достаточно, учитывая малый уровень тепловыделения 780G и SB700.

Удобно расположены разъемы питания. В частности, основной 24-контакный разъем расположен на нижнем краю платы и позволяет подключать "старые" БП с 20-жильным кабелем. А дополнительный 4-контакный разъем находится около задней панели и также не доставит затруднений сборщику.
Рядом с модулем питания установлен 4-контактный разъем CPU_FAN для подключения процессорного кулера.

Кроме него на плате установлен еще один 4-контактный разъем SYS_FAN (на левом краю платы).
Под процессорным разъемом на плате установлено четыре слота DIMM; при этом максимальный объем памяти составляет 16 Гб (4 Гб для XP).

Для включения двухканального режима необходимо устанавливать модули в слоты одного цвета. Стоит отметить, что чипсет 780G поддерживает память DDR2, а ее максимальная частота напрямую зависит от модели процессора AMD, в котором, как мы знаем, интегрирован контроллер памяти. Поэтому, когда мы установили одноядерный Athlon 64 3500+, максимальная частота памяти стала равна DDR2-800. При установке более старшего процессора плата способна поддерживать память DDR2-1066.
Что касается возможностей расширения, то на плате установлен один слот PCI Express х16 (с фиксатором), а также один слот PCI Express x1 и два слота PCI.

Отметим, что на слот PCI-E x16 выделяется 16 линий шины PCI Express спецификации 2.0.
Плата Gigabyte MA78GM-S2H поддерживает шесть каналов SerialATA-II, благодаря новейшему южному мосту SB700. Соответствующие разъемы окрашены в желтый цвет и расположены около южного моста.

На фото мы видим только пять разъемов, а шестой находится на задней панели. Кроме этого, SB700 поддерживает один канал PATA, что позволяет подключить к плате Gigabyte MA78GM-S2H восемь жестких дисков: шесть по протоколу SerialATA II и два - по ParallelATA.
Далее - на плате установлен гигабитный сетевой контроллера RTL8111С производства компании Realtek:

Кстати, этот чип связан с южным мостом по шине PCI, что несколько странно, поскольку в распоряжении разработчиков осталось еще несколько незадействованных линий PCI Express.
Плата поддерживает двенадцать портов последовательной шины USB 2.0, четыре из которых расположены на задней панели, а еще восемь подключаются при помощи планок. Кроме этого, плата поддерживает последовательную шину Firewire. Для этого на Gigabyte MA78GM-S2H установлен дополнительный контроллер TSB43AB23 производства Texas Instruments. В результате плата поддерживает два порта IEEE1394 (хотя сам чип поддерживает три порта): один расположен на задней панели, а другие подключаются при помощи планки.

И последнее, на чем мы остановимся, - это встроенный звук High Definition Audio. В качестве кодека используется чип Realtek ALC889A, который поддерживает выход на восемь каналов.

Задняя панель платы имеет следующий вид:

На панели отсутствуют как COM-, так и LPT-порты. На их месте расположены видеовыходы встроенного графического ядра: VGA, DVI и HDMI. Впрочем, плата поддерживает один LPT- и один COM-порт, но при помощи планок. Также отметим, что на заднюю панель инженеры Gigabyte вывели один порт SATA и порт Firewire, а также оптический SP-DIF.
Традиционная схема джамперов на плате:

Теперь поговорим о настройках BIOS.
BIOS платы Gigabyte MA78GM-S2H основан на версии Award BIOS.

Расширенный набор настроек памяти находится в разделе "MB Intelligent Tweaker/DRAM Configuration":

Однако эти параметры становятся доступными только после нажатия комбинации Ctrl+F1 в главном меню BIOS. Параметр, отвечающий за выбор частоты памяти, доступен всегда и находится в разделе настроек оверклокинга:
Теперь рассмотрим раздел, посвященный системному мониторингу.
Плата отображает текущие значения температуры процессора и системы, скорости вращения двух вентиляторов. Кроме того, плата показывает текущие уровни основных напряжений.
Отметим, что процессорный кулер и кулер, подключенный к SYS_FAN, могут изменять скорость вращения в зависимости от температуры CPU и системы с помощью функции Smart Fan.
Что касается настроек встроенного видеоядра, то отметим возможность изменения объема памяти, выделяемого на нужды Radeon HD3200:
а также возможность переключения между HDMI- и DVI-выходом (VGA-выход активен всегда):
Обновить "прошивку" можно как с помощью Windows-утилиты @BIOS, так и с помощью встроенной в BIOS программы Q-Flash.
В заключение отметим функции сохранения и загрузки профилей BIOS:
Теперь посмотрим на преобразователь питания. Он имеет 4-фазную схему, в которой установлены три конденсатора емкостью 470 мкФ и восемь конденсаторов емкостью 820 мкФ.

Все функции разгона сосредоточены в разделе "MB Intelligent Tweaker".

Во-первых, плата Gigabyte MA78GM-S2H позволяет изменять частоту HTT в диапазоне от 200 МГц до 500 МГц с шагом 1 МГц.

Пользователь может поменять множитель шины HyperTransport на участке между NB и CPU:
а также ширину шины:
Кроме того, можно изменить частоту шины PCI Express в диапазоне от 100 МГц до 200 МГц с шагом 1 МГц.


При необходимости пользователь может изменить множитель процессора (который на всех процессорах AMD заблокирован в сторону повышения):


Причем, нетрудно заметить, что плата поддерживает дробные множители.
Следующая функция позволяет изменять напряжение на процессоре (Vcore); диапазон от 0,8 В до 1,9 В с шагом 0,025-0,05 В.

Функция "DDR2 Voltage Control" повышает напряжение на модулях памяти:

Максимальное приращение Vmem равно 0,3 В, а шаг изменения = 0,1 В. На такую же величину (с таким же шагом) пользователь может увеличить напряжение на северном мосту:

Теперь переходим к практическому разгону. С процессором Athlon 64 3500+ на ядре Orleans плата показала очень хорошие результаты: стабильная работа на частоте HTT = 312 МГц.

Причем, вплоть до частоты 300 МГц, плата работала без увеличения напряжения на чипсете. Довольно неплохой результат для бюджетной платы на интегрированном чипсете. Но на этом разгон еще не закончен: плата позволяет изменить частоту встроенного графического ядра в диапазоне от 150 до 1100 МГц.

После довольно продолжительных тестов мы нашли предел данного экземпляра платы: система сохраняет стабильную работу при частоте ядра не выше 680 МГц. Напомним, что штатная частота ядра = 500 МГц. Причем, возможность разгона ядра присутствует только в BIOS, т.к. в фирменной утилите Easy Tune 5 Pro вкладка Graphics пока недоступна:

Отметим, что плата Gigabyte MA78GM-S2H устанавливает штатную частоту HTT с некоторым завышением:

Прежде всего, нас заинтересовала производительность встроенного видеоядра, причем как в штатном режиме, так и в режиме разгона. Сравнивать скорость мы будем с другими платами на интегрированных чипсетах, а также с одной из самых слабых дискретных видеокарт (NVIDIA GeForce FX5750).
В тестовой системе было использовано следующее оборудование:
| Тестовое оборудование | |
| Процессор | Процессор AMD Athlon 64 3500+ (реальная частота 2,2 ГГц) |
| Кулер | Gigabyte G-Power |
| Видеоподсистема | Встроенное графическое ядро Radeon HD3200
Дискретная видеокарта Gigabyte FX5750 (GeForce 5750; PCI Express x16) Версия драйвера: 93.71 WHQL |
| Звуковая карта | - |
| HDD | Samsung HD160JJ |
| Память | 2x 1024 Мб GoodRAM DDR2 GP1066D264L5/2GDC |
| Блок питания | FSP 550 Вт |
| OS | Windows XP SP1 |
Тесты:
Фантастика! Встроенное видеоядро Radeon HD3200 оказалось столь же быстрым, как пусть и дешевая и старая, но дискретная видеокарта. Более того, функциональное превосходство Radeon HD3200 оказывается более заметно в современных играх, а также в тяжелых режимах. Причем преимущество в скорости 3D-приложений по сравнению с предыдущими интегрированным чипсетами просто колоссальное.
В результате мы делаем вывод, что последствия выпуска чипсета 780G для IT-индустрии будут весьма и весьма ощутимыми. В частности, конкурентам (Intel и NVIDIA) придется выпустить интегрированные чипсеты с таким же уровнем производительности, и, что не менее важно, с такой же поддержкой современных графических технологий (интересно, как это получится у Intel).
Следующий вывод - с появлением плат на чипсете 780G, пользователи смогут сэкономить определенные деньги, не приобретая внешнюю видеокарту. То есть видеоядро Radeon HD3200 позволит поиграть в пусть старые, но довольно атмосферные игры, причем поиграть с комфортом. И это же видеоядро обеспечит комфортный просмотр высококачественных (HD) фильмов. А если учесть, что платы на 780G обеспечивают вывод изображения на два монитора, а при установке еще одной видеокарты - на четыре, то такие платы будут востребованы не только в домашнем, но и в корпоративном секторе рынка. И чтобы окончательно добить покупателя, AMD предлагает технологию Hybrid Crossfire. То есть, если пользователь накопит немного денег и купит дискретную видеокарту (конечно же, на чипе AMD), то в результате ядро Radeon HD3200 будет работать вместе с чипом новой видеокарты и возьмет на себя часть вычислительных задач. Следовательно, производительность системы будет еще выше!
Кстати, высокий уровень производительности делает чипсет 780G вполне приемлемым для работы с Vista. Поэтому все последующие платы мы будем тестировать под этой операционной системой (заодно и сменим набор тестовых приложений). Вообще-то, программисты AMD/ATI считают приоритетной задачей разработку драйверов для Vista, к сожалению, в ущерб отладке ПО для XP. Поэтому, хотя XP ближе, проще и понятнее для некоторых пользователей, им будет трудно реализовать потенциал чипсета 780G. Дело в том, что существует ряд проблем: на CRT-мониторе нельзя установить более высокую (комфортную) частоту обновления; не запускается (или запускается с ошибками) часть игровых программ и бенчмарков (Aquamark, PCMark, Far Cry). Что касается Vista, то ни одной из перечисленных проблем мы не обнаружили.
Чипсет AMD 780G оказался настолько многофункциональным, качественным и привлекательным продуктом, что достаточно сложно рассмотреть его со всех сторон в рамках одного материала. Поэтому в следующих обзорах мы затронем такие аспекты, как производительность 780G в ОС Vista, производительность в режиме Hybrid Crossfire, работу в мультимониторных конфигурациях. Да и с разгоном мы еще не закончили - в запасе у AMD есть утилита OverDrive. Однако самые главные функции мы определили, и теперь можем сделать выводы по чипсету 780G.
Итак, чипсет AMD 780G более чем хорош. Однако мы пока не можем назвать его "самым лучшим интегрированным чипсетом", "событием уровня Core 2 Duo" или наградить другим громким титулом. Чтобы это сделать, необходимо протестировать новинки от конкурентов (в частности, NVIDIA подготовила пару интересных чипсетов), дождаться реальных плат в рознице (и посмотреть на их цену), а также дождаться качественных драйверов для XP (или убедить AMD убрать поддержку XP из характеристик 780G).
Теперь - выводы по плате Gigabyte MA78GM-S2H. Она является качественной реализацией потенциала чипсета 780G, без каких-либо видимых недостатков. К чести Gigabyte отметим, что они установили дополнительный контроллер Firewire, а также оснастили плату вполне приличными функциями разгона. Кроме того, плата поддерживает часть фирменных технологий Gigabyte (EasyTune, @BIOS и FaceWizard).
Кстати, первые платы на 780G уже появились в России по цене от $80!